ABSTRACT
When a workpiece contains complex burr edges from a combination of drilling and milling, conventional deburring tools such as wire brushes may not be effective in their removal. In this study, abrasive flow machining was used to gain access to complex burr edges. Experiments on two types of flow guides suggest that an abrupt change in direction of flow around the area with targeted burr edges is essential. The effects of several process parameters are investigated based on the experiments set up.
-
KEYWORDS: Burr, Deburring, Milling, Drilling, Abrasive flow machining, Flow guide
-
KEYWORDS: 버, 디버링, 밀링, 드릴링, 입자 유동 가공, 유동 가이드
1. 서론
버(Burr)는 절삭이나 프레스 가공 시 소재의 소성변형에 의해 생기는 부산물로 가공물의 품질을 저해하는 중요한 요소이다. Stein과 Dornfeld
1,2는 드릴 가공 시 발생하는 버의 형상에 대한 연구를 하였다. 김진수
3는 드릴의 회전속도와 이송속도가 버의 형성에 미치는 영향을 연구하였다. Aurich등
4은 버의 종류와 형태에 따른 제거 방법을 연구하였다.
디버링(Deburring)에 대해서 Rhoades
5의 입자 유동 가공(Abrasive Flow Machining, AFM)에 대한 연구가 있다. Balasubramaniam
6은 연마제트 방식의 교차구멍 디버링 연구를 하였다. 이성환 등
7은 레이저 빔을 이용하여 디버링을 시도하였다. Jain 등
8은 입자 유동 가공 설비의 설계와 제작에 관한 연구를 수행하였다. 김권희 등
9은 교차구멍에서의 디버링 전용 도구(Tool)를 연구하였다. 최진영
10등은 AFM 방법으로 미세 교차구멍의 디버링 연구를 하였다.
최근에는 AFM 방식의 디버링 연구가 활발히 진행 되어왔다. M. Ravi Sankar
16 등의 연구에서 AFM 디버링의 최근 연구동향에 대해서 소개하였다. Ali Kiani
17 등은 발전된 입자 유동 가공의 프로세스를 연구하였다.
드릴링(Drilling) 버 제거에 대한 연구는 많은 편이나 밀링(Milling) 버 제거에 관한 연구는 상대적으로 적은 편이다. 밀링에 의하여 생성되는 버는 통상적으로 와이어 브러시(Wire Brush)를 이용하여 제거한다. 가공물에 밀링과 드릴링이 복합적으로 적용되는 경우, 밀링 버와 드릴링 버는 각각 별도의 제거 공정이 필요하게 된다. 따라서 드릴링-밀링 버가 혼재 되어 있는 복잡한 가공물의 디버링은 매우 도전적인 연구분야이다.
본 연구에서는 밀링과 드릴링 버의 제거 공정이 각각 다르므로 공통적으로 이용할 수 있는 디버링 공법 중 AFM 방법을 선정하였다. 또한 연마액의 유동을 제어하여 국부적이고 선택적인 마모를 일으키기 위한 유동 가이드(Flow Guide)의 설계 방안을 모색하고, 주요 공정변수들이 밀링-드릴링 복합 버 제거에 미치는 영향을 실험적으로 확인하였다.
2. 1차 유동 가이드 설계에 대한 실험
2.1 시편 설계 및 제작
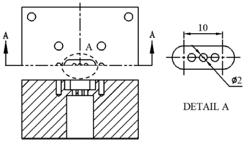
Fig. 1은 버 모서리(Burr Edge) 주변에서 연마액의 국부적인 유속을 증가시키기 위한 유동 가이드를 나타낸다. 밀링과 드릴링 각각의 버 모서리에 대한 연마액의 유동 총량(Volume of Flow,
V), 등가 유동 단면적(
A) 및 유동 길이(Flow Length,
L) 사이에는 다음
식(1)과 같은 관계가 성립한다.
Fig. 1Guide for abrasive flow control
밀링 버와 드릴링 버의 모서리 길이가 다르므로, 동일한 유동 길이를 갖기 위해서는 모서리와 유동 가이드 사이의 틈새가 서로 다르게 설정되어야 한다. 연마액의 유동 방향을 주기적으로 역전시켜 단방향 유동에 의한 편마모를 방지하였다.
Fig. 2는 드릴링 과 밀링으로 가공된 AL6061 재질의 시편을,
Fig. 3는 유동 가이드를 나타낸다.
Fig. 2Geometry of specimens for the first deburring tests
Fig. 3A flow guide for the first tests
2.2 디버링 실험
최진영 등
10의 연구에서 각 공정변수에 대한 영향도 분석이 있었다. 이를 활용하여 2 수준으로 설정된 네 가지 공정변수(유동 총량, 연마재 입자의 크기, 연마재 농도, 유동 틈새)들의 설정값들을
Table 1에 요약하였다, Taguchi 실험 계획법
11의 L8(2
7) 직교 배열표를 이용하여
Table 2에서와 같이 총 8회 실험을 실시하였다.
Table 1Control factors for the first deburring tests
Table 1
|
Volume of flow (A), l
|
Abrasive size (B), mesh |
|
A1 6.2 |
B1 150 |
|
A2 9.4 |
B2 100 |
Abrasive concentration (C), g/mL |
Gap between milling burr edge and flow guide (D), mm |
|
C1 0.3 |
D1 0.3 |
|
C2 0.5 |
D2 0.5 |
Table 2L8 orthogonal array for the 4 control factors of Table 1
Table 2
|
Run |
A |
B |
C |
D |
|
1 |
1 |
1 |
1 |
1 |
|
2 |
1 |
1 |
2 |
2 |
|
3 |
1 |
2 |
1 |
2 |
|
4 |
1 |
2 |
2 |
1 |
|
5 |
2 |
1 |
1 |
2 |
|
6 |
2 |
1 |
2 |
1 |
|
7 |
2 |
2 |
1 |
1 |
|
8 |
2 |
2 |
2 |
2 |
2.3 디버링 실험 결과
1차 실험은, 예상과는 다른 결과를 산출하였다. 드릴링과 밀링에 의한 버 모서리는 연마가 거의 되지 않았고, 모서리 주변 평면부위의 마모가 두드러지게 나타났다.
Fig. 4(a)는 밀링 모서리 수직면이 집중적으로 마모된 것을 보인다.
Fig. 4(b)에서는 밀링 모서리 상면부의 마모가 뚜렷하다.
Fig. 5에 보인 것처럼 비교적 내마모성이 높은 SUS304 재질의 유동 가이드 안내면 마모 또한 심각하다. 반면에, 기대하였던 모서리의 마모는 거의 나타나지 않았다. 유동 가이드에 의하여 버 모서리 부근에서 증가한 연마액의 유속이 모서리 마모에는 큰 영향을 미치지 못한다는 것을 알 수 있었다.
Fig. 4Results of the first deburring tests: (a) Run 6 and (b) Run 7
Fig. 5The first type of flow guide after deburring
Figs. 4와
5는 유동 박리(Flow Separation)에 의한 소용돌이(Vortex) 형성이 모서리 주변의 마모와 연관이 있음을 암시한다.
Fig. 1에서 소용돌이는 버 모서리를 지나서 형성되므로 유동 가이드가 버 제거에 기여를 하지 못한 것으로 추정된다.
이나 유동 가이드 표면의 방향이 급격하게 변화하는 곳에서 경계층(Boundary Layer)이 표면에서 이탈하여 유동 박리로 연결되고 이어서 소용돌이가 발생하는 다수의 사례가 알려져 있다. 유동 안내면의 급격한 변화의 한 예로, 90° 곡관을 생각할 수 있다. Humphery 등
12은 90° 곡관 내 유동에서 강한 난류 소용돌이가 나타난다고 하였다. 맹주성 등
13은 사각단면 90° 곡관의 3차원 난류 유동 해석결과로 Humphery 등
12의 실험적 연구와 거의 유사한 결론을 얻었다. Humphery 등
14과 명현국 등
15은 0°와 90° 사이 곡관의 층류 유동에 대한 실험과 해석을 수행하여, 곡관의 각도가 0°에서 90°로 증가할수록 소용돌이가 발달하는 것으로 보고하였다.
또한 드릴링 버와 밀링 버 모서리의 형태가 다르므로 비슷한 수준의 마모는 상대적으로 어렵다고 판단된다. 따라서
식(1)로 표현되는 유동 길이의 개념을 복합 버에 일률적으로 적용하는 것은 쉽지 않다.
따라서 본 연구에서는 버는 가공 시 모든 모서리에 생긴다고 가정하였고, 드릴링의 호의 길이와 밀링 가공의 길이를 버로 가정하였다.
드릴링 버의 경우 최진영 등
10의 연구에서 연마재 입자 크기와 연마액 유동 총량이 디버링에 크게 기여한다는 사실이 확인되었다. 본 연구의 1차 실험에서도
Fig. 6과 같이 연마재 입자 크기가 클수록 유동 총량이 많을 수록 디버링이 잘 되는 것을 확인할 수 있었다.
Fig. 6Deburred edge of a drilled hole for Run 8 condition in Table 2
3. 2차 유동 가이드 설계에 대한 실험
3.1 시편 및 유동 가이드 설계
위에서 언급한 바와 같이 소용돌이의 발생이 국부적 마모와 연관이 있으므로, 버 모서리 근처에서 유동 안내면의 방향이 급격하게 바뀌도록 유동 가이드를 설계하는 것이 필요하다. 이에 따라 유동 가이드를
Fig. 7과 같이 변경하였다. 1차 실험에서 드릴 구멍 모서리에 비하여 밀링 모서리의 버 제거가 상대적으로 미흡하였으므로, 드릴 구멍의 직경을 2 mm에서 4 mm로 늘리고 구멍의 개수를 2개로 축소하여 밀링 모서리에 대한 유동 길이를 상대적으로 증가시켰다.
Fig. 7A new design of flow guide
3.2 디버링 실험
2차 실험의 공정변수 설정을
Table 3에 요약하였다. 유동 가이드와 밀링 모서리의 틈새를 1 mm로 설정하고 연마재 입자 크기를 100 메쉬 와 60 메쉬로 변경하였다.
Table 3의 L8(2
7) 직교 배열표에 따라 8회의 실험을 수행하였다.
Table 3Control factors for the second deburring tests
Table 3
|
Volume of flow (A), l
|
Abrasive size (B), mesh |
|
A1 4.7 |
B1 100 |
|
A2 9.4 |
B2 60 |
Abrasive Concentration (C) g/ml |
Viscosity (D), Poise |
|
C1 0.3 |
D1 1.05 |
|
C2 0.5 |
D2 20.74 |
Fig. 8은 2차 실험 후의 밀링 및 드릴링 버 모서리를 나타낸다. 버가 남아있는 모서리의 길이를 측정하여 그 결과를
Table 4에 정리하였다. 밀링 버 모서리의 경우 Run 7과 Run 8의 공정변수 조합에서 가장 좋은 결과를 나타내었다. Run 8의 경우 모서리 마모가 다소 과다한 것을 확인할 수 있었다.
Fig. 8Results of the 2nd deburring tests
Table 4Test results of burrs residue (mm)
Table 4
|
Run |
Residual drilling burr edge length (X), mm |
Residual milling burr edge length (Y), mm |
Total residual burr edge length (X+Y), mm |
|
1 |
17.9 |
4.9 |
22.8 |
|
2 |
14.2 |
4.6 |
18.8 |
|
3 |
2.8 |
0.6 |
3.4 |
|
4 |
0.0 |
0.5 |
0.5 |
|
5 |
6.7 |
1.5 |
8.2 |
|
6 |
8.0 |
0.8 |
8.8 |
|
7 |
0.0 |
0.0 |
0.0 |
|
8 |
1.6 |
0.0 |
1.6 |
드릴링 버는 Run 4와 Run 7의 조건에서 완전히 제거 되었다. 드릴링-밀링 복합 버 제거에 가장 유리한 공정변수 조합은 Run 7이다.
4. 실험결과의 분석
Table 4의 결과값에 따라 각 공정변수가 디버링에 미치는 영향을 분석하여
Fig. 9에 도시하였다. 연마재의 크기가 디버링에 가장 큰 영향을 나타낸다. 그 다음으로는 유동 총량이 중요하고, 연마재의 농도와 연마액의 점도는 디버링에 미치는 영향이 미미하다.
Fig. 9 Sensitivity analysis of control factors
또한 A와 B의 교호작용을 무시할 수 없음을 알 수 있다.
Fig. 10은 두 변수 사이에 교호작용을 나타낸다. 유동 총량과 연마재 입자 크기 간에 교호작용이 있음을 확인할 수 있었다.
Fig. 10 Interaction analysis between control factors
공정변수에 대한 민감도 분석 및 교호작용을 고려한 최적의 공정변수 조합은 연마재 입자 크기를 크게 하고, 유동 총량을 늘리며, 연마재의 농도를 높이고, 연마액의 점도를 상대적으로 줄이는 조건이다.
5. 결론
두 가지 유동 가이드와 주요 공정변수 조합에 대한 실험을 수행하였다. 연마액의 유속 증가로 버 모서리의 국부적 마모를 유도할 목적으로 설계된 첫 번째 유동 가이드는 버 모서리가 아닌 모서리 측면과 상면 부 마모를 일으켰다.
이 같은 이상 마모는 유동 박리에 의한 소용돌이가 그 원인이 있는 것으로 추정하여 버 모서리 부근에서 유동의 방향이 급격히 변화하도록 두 번째 유동 가이드를 설계하였다. 또한 밀링 모서리와 드릴링 모서리에 차별적인 유동 길이를 적용하는 것이 필요하다고 판단하였다. 두 번째 실험에서는 예상대로 밀링 버와 드릴링 버가 완벽하게 제거되는 공정변수들의 조합을 찾을 수 있었다.
공정변수 중 디버링에 영항을 미치는 기여도 순서는 연마재 입자의 크기, 연마액의 유동 총량, 연마재의 농도, 점도 순으로 나타났다. 좀 더 효율적인 유동 가이드의 설계를 위하여 버 모서리 주변의 연마액 유동에 대한 연구가 필요하다고 판단된다.
REFERENCES
- 1.
Stein, J. M. and Dornfeld, D. A., “Burr Formation in Drilling Miniature Hole,” CIRP Annals, Vol. 46, No. 1, pp. 63-66, 1997.
10.1016/S0007-8506(07)60776-8
- 2.
Stein, J. and Dornfeld, D., “Influence of Work Piece Exit Angle on Burr Formation in Drilling Intersection Hole,” Proc. of North American Manufacturing Research Institute, SME, pp. 39-44, 1996.
- 3.
Kim, J. and Dornfeld, D. A., “Development of a Drilling Burr Control Chart for Stainless Steel,” Proc. of North American Manufacturing Research Institute, SME, pp. 317-322, 2000.
- 4.
Aurich, J. C., Dornfeld, D., Arrazola, P. J., Franke, V., Leitz, L., et al., “Burrs-Analysis, Control and Removal,” CIRP Annals, Vol. 58, No. 2, pp. 519-542, 2009.
10.1016/j.cirp.2009.09.004
- 5.
Rhoades, L., “Abrasive Flow Machining: A Case Study,” Journal of Materials Processing Technology, Vol. 28, Nos. 1-2, pp. 107-116, 1991.
10.1016/0924-0136(91)90021-6
- 6.
Balasubramaniam, R., Krishnan, J., and Ramakrishnan, N., “An Experimental Study on the Abrasive Jet Deburring of Cross-Drilled Holes,” Journal of Materials Processing Technology, Vol 91, Nos. 1-3, pp. 178-182, 1999.
10.1016/S0924-0136(98)00386-0
- 7.
Lee, S. H. and Dornfeld, D. A., “Precision Laser Deburring,” Journal of Manufacturing Science and Engineering, Vol. 123, No. 4, pp. 601-608, 2000.
10.1115/1.1381007
- 8.
Jain, V. K. and Adsul, S. G., “Experimental Investigations into Abrasive Flow Machining (AFM),” International Journal of Machine Tools & Manufacture, Vol 40, No. 7, pp. 1003-1021, 2000.
10.1016/S0890-6955(99)00114-5
- 9.
Kim, K. H. and Park, N. J., “A New Deburring Tool for Intersecting Holes,” Proceeding of the Institution of Mechanical Engineers, Part B: Journal of Engineering Manufacture, Vol. 219, No. 12, pp. 865-870, 2005.
10.1243/095440505X32850
- 10.
Choi, J. Y., Cho, C. H., and Kim, K. H., “Research on the Deburring of Small Intersecting Hole,” Proc. of Korean Society for Precision Engineering Autumn Conference, pp. 374-375, 2014.
- 11.
Yokoyama, Y. and Taguchi, G., “Taguchi Methods: Design of Experiments,” American Supplier Institute, pp. 1-330, 1993.
- 12.
Humphrey, J. A. C., Whitelaw, J. H., and Yee, G., “Turbulent Flow in a Square Duct with Strong Curvature,” Journal of Fluid Mechanics, Vol. 103, pp. 443-463, 1981.
10.1017/S0022112081001419
- 13.
Meang, J. S. and Lee, J. S., “Three Dimensional Turbulent Flow Analysis in a 90° Square Sectioned Duct with Strong Curvature,” Journal of Air-Conditioning and Refrigeration Engineering, Vol. 3, No. 1, pp. 11-25, 1991.
- 14.
Humphrey, J. A. C., Taylor, A. M. K., and Whitelaw, J. H., “Laminar Flow in a Square Duct of Strong Curvature,” Journal of Fluid Mechanics, Vol. 83, No. 3, pp. 509-527, 1977.
10.1017/S0022112077001311
- 15.
Myong, H. K. and Kim, J. E., “Numerical Simulation of Incompressible Laminar Entry Flows in a Square Duct of 90°Bend by Unstructured Cell-Centered Method,” Proc. of, Korean Society for Computational Fluids Engineering, pp. 79-83, 2005.
- 16.
Sankar, M. R., Jain, V. K., and Ramkumar, J., “Abrasive Flow Machining (AFM): An Overview,” Indo-US Workshop on Smart Machine Tools, 2011.
- 17.
Kiani, A., Esmailian, M., and Amirabadi, H., “Abrasive Flow Machining: A Review on New Developed Hybrid AFM Process,” Journal of Advanced Design and Manufacturing Technology, Vol. 9, No. 1, pp. 61-71, 2016.
Biography
- Dong Uk Kim
M.Sc. in the Department of Mechanical Engineering, Korea University. His research interest is Machine design.
- Young Gwan Kim
Ph.D candidate in the Department of Mechanical Engineering, Korea University. His research interest is Machine design.
- Kwon Hee Kim
Professor in the Department of Mechanical Engineering, Korea University. His research interests include machine design, engineering design innovation, product development, and plasticity.
Citations
Citations to this article as recorded by
